
湖北玖天机车部件有限公司
地址:湖北省孝感市安陆市府城街道办事处洪庙社区兴洪路1号
联系电话:0712-5250699
0712-5251699
实验:12.9级内六角圆柱头螺钉,规格为M4×12,材料SCM435钢,表面镀黑锌。
在安装时内六角圆柱螺钉在头杆处断裂。
试验过程与结果
断裂件检查,螺钉在头杆处断裂,断裂件杆部见图1-1;断裂件头部断口,呈扭转塑性断裂特征,箭头所指为最后扭断区,见图1-2。
图1-1 断裂件杆部形貌 图1-2头部断口宏观形貌
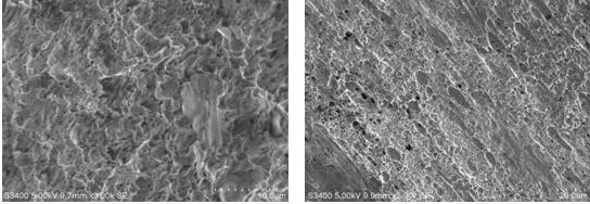
扫描电镜对断口进行观察,整个断口形貌均为韧窝塑性断裂形貌,且韧窝具有明显的方向性,韧窝延展方向均指向断裂源位置,见图1-3、图1-4。
图1-3 韧窝断口 图1-4 方向性明显的韧窝
断裂件化学成分分析,成分分析结果符合SCM435钢材料的要求。
断裂件心部硬度试验,标准规定心部硬度385~435HV10,硬度试验结果为,431~428 HV10,符合《ISO898.1-1999》标准要求,
断裂件进行金相检查,从断口附近截取金相样品,制样后观察,组织为调质处理的回火索氏体组织。
分析与讨论
断裂件的化学成分分析、心部硬度、金相组织符合技术要求。表明断裂件的材料合格,热处理工艺正常。
断裂件的整个断口形貌均为韧性延展断裂,且断口韧窝具有明显的方向性,为扭转断裂特征。
该M4小螺钉在安装是由于安装过载,使螺钉扭转断裂失效。
结论与启示
(1)该螺钉断裂失效是由于安装过载,使螺钉扭转断裂失效。
(2)小螺钉在安装时要控制好安装应力,防止安装应力过大造成螺钉扭转断裂。